J. & W. Grunow, New York, #558

Friction roller coarse adjustment - Charles B. Richards patent

Long lever fine adjustment located on the back of the limb, c. 1872

J. & W. Grunow, New York, #558. Monocular microscope with novel focusing adjustments, c. 1872 J. & W. Grunow, New York, #558. Monocular microscope with novel focusing adjustments, c. 1872
J. & W. Grunow, New York, #558. Monocular microscope with novel focusing adjustments, c. 1872 J. & W. Grunow, New York, #558. Monocular microscope with novel focusing adjustments, c. 1872
J. & W. Grunow, New York, #558. Monocular microscope with novel focusing adjustments, c. 1872
J. & W. Grunow, New York, #558. Monocular microscope with novel focusing adjustments, c. 1872 J. & W. Grunow, New York, #558. Monocular microscope with novel focusing adjustments, c. 1872
signature J. & W. Grunow, New York, #558

This Grunow microscope is signed on the tube J. & W. Grunow, New York, 558. The firm used this signature between the years 1864-1874. On the basis of the serial number, it dates around 1872. Prior to 1864, the firm was located in New Haven Connecticut. The microscope is constructed of brass and black enameled cast iron. It measure about 12.5-inches tall when set up for use as shown in the photos. The accessories consist of three objectives, (1/5 and 1/2 marked Special and a 2/3 B&L) , two oculars with dust caps, and a brass and glass slide carrier. The stage has a built-in aperture wheel. The mirror is single sided with a concave glass.

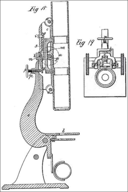
The focusing adjustments used on this instrument are unique. There is long lever fine adjustment that moves the tube with its control knob located on the back of the limb. The coarse adjustment utilizes a friction roller mechanism based on a 1865 patent by Charles B. Richards. Unlike the rack and pinion used on conventional microscopes of the period, with this instrument the focusing knobs operate on a steel roller that is pressed against a brass bar attached to the tube. At each end of the tube, there is an additional saddle shaped guide roller (see fig. 18 and 19 in the Richards patent). This mechanism results in smooth focusing of the tube where a clockwise turn of the knobs results in raising the tube; this is opposite to what happens with a conventional rack and pinion. The fine adjustment and the coarse adjustment are integrated in that the fine adjustment moves the entire roller mechanism as it moves the tube. I am unaware of other microscopes, except another Grunow microscope in a private collection and one that appeared recently at auction with serial number 459, that utilizes such a roller mechanism. The Grunows also made a similar microscope that focused using the conventional rack and pinion mechanism.

The Richards patent also describes different friction drive that moves the tube holding the optics within an outer tube as shown in figs 1-6 in the patent. This latter mechanism is used for the J. & W. Grunow microscope shown here.

 

US Patent #47860. Adjustment for Microscope, C. B. Richards, 1865

Richards patent 47860

 

 

Charles B. Richards

Charles B. Richards (1833-1919)

A biography of the inventor of this focusing system, Charles B. Richards, is online .

The Grunow brothers, Julius and William, emigrated from Germany to New York around 1849. They started in the scientific instrument business by first working for the optician Benjamin Pike of that city. By 1854, they began their own operation in New Haven CT where they concentrated on the production of microscopes. By 1864, they were back in New York. Around 1874, the brothers separated. J. Grunow continued on to produce microscopes up to around 1892. The total output of the Grunows was limited in comparison to some other contemporary firms; on the basis of the observed serial numbers, they manufactured just over one thousand microscopes in total.

An 1869 advertisement:

Grunow 1868 ad

A family history of the Grunows in 19th century America written by a descendant.

Home-Antique Microscopes       Site Index

email: wissnera@verizon.net

Facebook