There are in G,
fig. 266, two screws, which, coming in contact,
prevent R from coming out completely. The office
of the prism, R, is to receive the image in a
vertical direction, and reflect it to the axis of
the body, C, which carries the eye-pieces without
any perceptible loss of light. When an object is
required to be very much heated, a larger plate,
the edges of which are heated by small spirit-
lamps, is laid upon the small plate, P. The
magnifying powers to be obtained in this
microscope vary from 25 to 500 diameters, and all
the apparatus necessary for the study of
mineralogy can be applied to it, such as the
goniometer, micrometer, &c. In short, in the
general use of acids, reagents, &c., no
injury can happen to the lenses of the
object-glasses, as, being placed underneath, they
are protected from the oxidizing vapours.
From
The
Microscope in its Application to Practical
Medicine by
Lionel Smith Beale, 1858

Microscope
for Examining Substances immersed in Acids and
corrosive Fluids. In examining preparations which
require to be immersed in strong acid, in the
ordinary microscope, it is not easy to prevent
the fumes from injuring the brass work of the
instrument. Considerable inconvenience is also
experienced in examining fluids while hot, in
consequence of the vapour which rises, condensing
on the object- glass, and rendering the object
invisible. These inconveniences are entirely
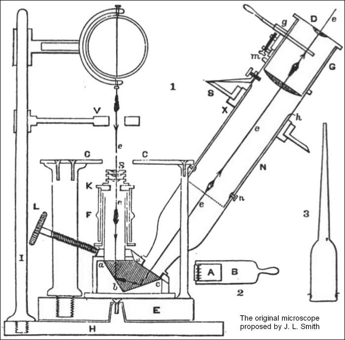
obviated by the ingenious microscope invented
some years ago by Dr. Lawrence Smith, of
Louisville, United States. This was made by M.
Nachet, of Paris, and has been described as
Nachet's chemical microscope.
The inverted chemical microscope is represented
in fig. 106, in which also the form and position
of the prism are shown. By this arrangement the
object-glass is always kept perfectly clear,
while of course the definition of object is not
in any way interfered with. In order to adapt the
instrument to drawing the outline of objects with
the glass reflector, 76, it would only be
necessary to have the body fixed at a right angle
with the axis of the object-glass. A small mirror
at an angle of 45 degrees, might be substituted
for the prism
In the first
edition of this work I must regret having
inadvertently omitted Dr. Smith's name as the
inventor of this instrument. To him ls certainly
due the merit of its invention. Dr. Smith's paper
on the subject, will be found in the " American
Journal of Science," second series, Vol. xiv.,
1852.
The description of
the microscope from the 1886 Nachet
catalog:
This can be translated as follows:
38.-Inverted microscope for chemical
studies (fig. 26). -
In this instrument, the objectives are placed
below the object, one has not to fear that the
evaporations prevent clear vision due to
accumulation of vapours. - The stage is gilded.
This microscope, with 3 objectives No. 3, 5 and
6, 1 eyepiece, and Goniometer for measuring the
angles of crystals. Accessories: alcohol lamp
mounted on an articulated base, object glasses,
cover slips. In a mahogany box. . . . . . . . . .
. 350 fr.